近日,中機國際成功中標華中科技大學化學鏈燃燒源頭碳捕集子系統項目,該項目作為我國碳捕集利用重大科研裝置的核心環節,通過創新技術路徑推動能源清潔化轉型,為“雙碳”目標實現提供關鍵技術支撐。

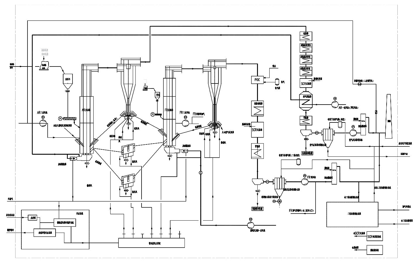
項目采用自主知識產權的多模式流化床反應器系統,實現煤/生物質/天然氣等多燃料兼容燃燒,創新性地將化學鏈燃燒與碳捕集深度融合。通過反應器設計優化和熱能深度利用,系統捕集能耗較傳統方式降低30%以上,捕集純度達工業級標準,為規模化碳捕集提供經濟高效的解決方案。
?
作為國內首套兆瓦級化學鏈燃燒裝置,其項目實現了三大技術突破:一是首創雙向返料閥技術,精準調控燃料反應器與空氣反應器的物料循環;二是構建“零碳”水蒸氣輔助發電系統,形成自維持式碳捕集閉環;三是建立污染控制-碳捕集-能源利用全鏈條技術體系,其運行數據將填補我國化學鏈燃燒技術數據庫的空白。

該項目不僅提升了化石能源清潔利用水平,更通過生物質摻燒技術開辟負碳排放路徑。建成后年碳捕集量可達萬噸級,配套的碳生命周期評價體系將為碳交易市場提供基準數據,助力構建新型能源體系。未來,中機國際將持續深耕節能減排技術創新,為構建新型能源體系和打贏藍天保衛戰提供全方位的工程技術支持。
?
供稿:環境院綜合經營部 陳忠
責編:綜合管理部 何雨婷